| 选型中心: | |
|---|---|
| 品牌: | |
| 类型: | |
| 电压: | |
| 功率(kw): | |
| 系列: | |
| 功能: |

深圳市聚川自动化设备有限公司耕耘自动化行业16年,
变频器 plc 伺服电机 触摸屏(品控专家)!
主营品牌:三菱/台达/威纶通/英威腾/信捷/汇川
选型技术支持
何工:17779453111
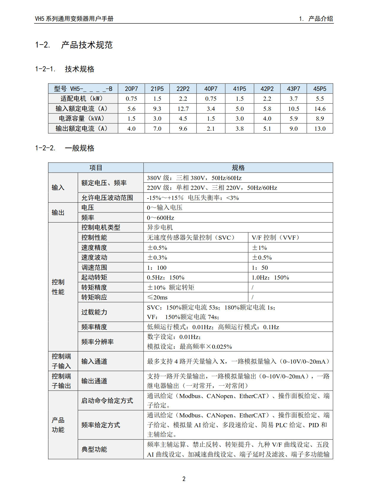
型号:VH5-40P7-B
|
项目 |
规格 |
||
|
输入 |
额定电压、频率 |
三相380V级:三相380V,50Hz/60Hz |
|
|
允许电压波动范围 |
-15%~+15%电压失衡率:<3% |
||
|
输出 |
电压 |
0~输入电压 |
|
|
频率 |
0~500Hz |
||
|
控制 性能 |
控制电机类型 |
异步电机 |
|
|
控制性能 |
无速度传感器矢量控制(SVC) |
V/F控制(VVF) |
|
|
速度精度 |
±0.5% |
±1% |
|
|
速度波动 |
±0.3% |
±0.5% |
|
|
调速范围 |
1:100 |
1:50 |
|
|
起动转矩 |
0.5Hz:150% |
1.0Hz:150% |
|
|
转矩精度 |
±10% 额定转矩 |
// |
|
|
转矩响应 |
≤20ms |
// |
|
|
过载能力 |
SVC: 150%额定电流53s;VF:150%额定电流74S |
||
|
频率精度 |
低频运行模式:0.01Hz;高频运行模式:0.1Hz |
||
|
频率分辨率 |
数字设定:0.01Hz; 模拟设定:最高频率×0.025% |
||
|
控制端 子输入 |
输入通道 |
最多支持 4 路开关量输入 X,一路模拟量输入(0~10V/0~20mA)
|
|
|
控制端 子输出 |
输出通道 |
支持一路开关量输出,一路模拟量输出(0~10V/0~20mA),一路继电器 输出(一对常开,一对常闭) |
|
|
产品 功能 |
启动命令给定方式 |
通讯给定(Modbus、CANopen、EtherCAT)、操作面板给定、端子给定。 |
|
|
频率给定方式 |
通讯给定(Modbus、CANopen、EtherCAT)、操作面板给定、端子给定、模拟量AI给定、多段速给定、简易PLC给定、PID和主辅给定。 |
||
|
典型功能 |
频率主辅运算、禁止反转、转矩提升、九种V/F曲线设定、五段AI曲线设定、加减速曲线设定、端子延时及滤波、端子多功能输入输出、直流制动、能耗制动、点动运行、16多段速、内置两路PID、转速跟踪再启动、载波调制、故障记录、故障自复位、预励磁启动、30组用户自定义参数 |
||
|
重点功能 |
载波调制、转矩控制、电机自整定、限流控制、过压控制、欠压控制、转速追踪、下垂控制、震荡抑制、过压过流失速控制、自动电压调整(AVR)、自动节能运行等 |
||
|
保护功能 |
上电电机短路检测、输入输出缺相保护、过流保护、过压保护、欠压保护、过热保护、过载保护、欠载保护、过流过压失速保护、继电器吸合保护、端子保护、瞬时掉电不停等 |
||
|
能耗制动 |
内置能耗制动 单元,可外接制动电阻 |
||
|
共直流母线 |
在变频器减速时分担回生能量,提高制动能力,达到节能目的并节省电阻所需额外空间与成本 |
||
|
特色 功能 |
多总线支持 |
本体Modbus、可扩展 EtherCAT、CANopen |
|
|
多编码器支持 |
差分输入编码器、OC输入编码器、旋变变压器 |
||
|
LCD面板 |
LCD显示、参数设置、状态监控、参数拷贝、故障分析定位、程序下载、大容量存储参数 |
||
|
瞬停不停 |
瞬时停电时通过负载回馈能量补偿电压的降低,维持变频器短时间内继续运行 |
||
|
定时控制 |
定时控制功能:设定时间范围0.1Min~6500.0Min |
||
|
多电机切换 |
两组电机参数,可实现两个电机切换控制 |
||
|
端子功能灵活多样化 |
多功能端子X具有51种、Y有41种、AO具有19种逻辑功能选择,满足通用变频器常规控制功能要求 |
||
|
通讯定制参数 |
方便用户对变频器参数进行连续读写 |
||
|
上位机软件 |
丰富的后台监控功能,方便现场数据采集和调试 |
||
|
显示与 键盘 |
键盘显示 |
可显示设定频率、输出频率、输出电压、输出电流、输入输出状态等多种参数 |
|
|
按键锁定 |
实现对按键的部分或者全部锁定,防止误触发 |
||
|
参数拷贝 |
标配LED单显数字键盘,选配LCD中英文显示键盘(参数上下载) |
||
|
可选配件 |
EtherCAT、CANopen扩展卡 |
||
|
环境 |
使用场所 |
室内,不受阳光直晒,无粉尘、腐蚀性气体、可燃性气体、油雾、水蒸汽、滴水或盐份等 |
|
|
海拔 |
低于1000米。(高于1000米时需降额使用,每增加1000米高度输出电流约降低额定电流的10%) |
||
|
周围温度 |
-10℃~+40℃(环境温度在40℃~50℃,请降额使用或增强散热) |
||
|
周围湿度 |
小于95%RH,无水珠凝结 |
||
|
振动 |
小于5.9米/秒²(0.6G) |
||
|
存储温度 |
-40℃~+70℃ |
||
|
防护等级 |
IP20 |
||
|
冷却方式 |
强制风冷 |
||
|
安装方式 |
壁挂式 |
||
VH5-40P7-B外形与尺寸